Logement de palier SY506M AGZ000649017
Réf. AGZ000649017
Roulement à rouleaux : Découvrez Logement de palier SY506M disponible à l'achat
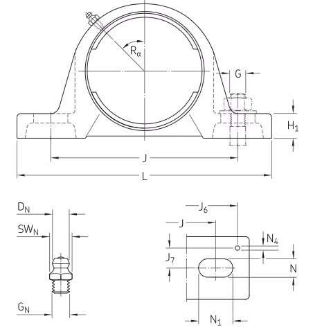
Da: 62 mm Diamètre de la portée sphérique
A: 40 mmLarge ur de base
A1: 25 mm Largeur du haut
A5: 22.5 mm Saillie du couvercle d'obturation
H: 42.9 mm Hauteur du centre de la portée sphérique
H1: 17 mm Hauteur de pied
H2: 82 mm Hauteur globale
J: 117.5 mm Distance entre les boulons de fixation
J: max.127 mm Distance entre les boulons de fixation
J: min.108 mm Distance entre les boulons de fixation
L: 152 mm Longueur globale
N: 14 mm Largeur du trou du boulon de fixation
N1: 23.5 mm Longueur du trou du boulon de fixation
TROU FILETÉ
- RG: 1/4-28 UNF Filetage du palier pour le raccord de graissage
- R1: 3 mm Position axiale du filetage du palier
- Rα: 45 ° Position angulaire du filetage du palier
RACCORD DE GRAISSAGE
- DN: 6.5 mm Diamètre de la tête sphérique du raccord de graissage
- SWN: 7 mm Taille de clé hexagonale pour raccord de graissage
- GN: 1/4-28 SAE-LT Filetage du raccord de graissage:
PIEDS DE CENTRAGE
- J6: 140 mm Distance entre les pieds de centrage
- J7: 14 mm Décalage axial des pieds de centrage
- N4: 4 mm Diamètre recommandé des pieds de centrage:
-3%
22,77€ HT
27,32€ TTC
22,09€
Soit 26,51€ TTC
Expédition sous 48h
Expédié par Agrizone
Expédition depuis nos entrepôts basés en France
