Boîtier T-304A 1:3 304010 - Comer industrie
Réf. AGZ000507120
Réf. constructeur 304010
Boitier renvoi d'angle : Découvrez Boîtier T-304A 1:3 304010 - Comer industrie origine disponible à l'achat
Caractéristiques
- Multiplicateur : 1:3
- Puissance boitier : 50
Caractéristiques
- Multiplicateur : 1:3
- Puissance boitier : 50
Description
Attention le boitier est livré sans Huile.
Dommaine d'application:
- Différentes applications (agricoles)
- Tondeuses
- Vibrateur
Se compose de:
- Boitier de renvoi d'angle sans huile
Informations techniques:
- A la première mise en service, changer l'huile après 50 heures de fonctionnement
Capacité d'huile: 1.1 Litres
Type d'huile: 80w90 API GL5
Référence d'huile: AGZ000337378
Vidange: 500 Heures
Puissance d'entrée: 36.8 Kw / 50 ch
Force: 21 DaNm
Régime de prise de force: 540 tr/min
Boitier mutiplicateur: 1 : 3
Sens de Rotation: Horaire
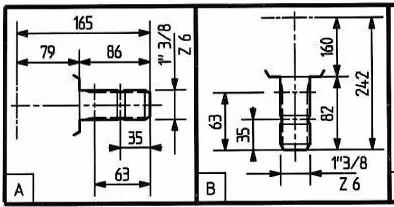
Axe d'entrée X: 1'' 3/8, 6 cannelures (schéma A)
Axe de sortie Z: 1'' 3/8, 6 cannelures (schéma B)
Poids: 19 Kg
Caractéristiques
- Multiplicateur : 1:3
- Puissance boitier : 50
Equivalences
- 304010
-1%
450,21€ HT
540,25€ TTC
445,71€
Soit 534,85€ TTC
Expédition sous 48h
Expédié par Agrizone
Expédition depuis nos entrepôts basés en France
Chargement...
Chargement...
Chargement...
Chargement...
Chargement...
Chargement...
